
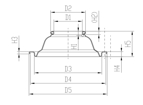
Outer diameter of the flange (D5) 75.50±0.20mm
Inner diameter of flange (D4) 73.10±0.30mm
Flange height (H3) 2.35±0.15
Buried depth (H4) 4.90±0.15mm
Total height (H5) 25.00±0.20mm
Contact height (H1) 4.00±0.10mm
Fit diameter (D3) 65.30±0.20mm
Outer diameter of tank mouth (D2) 31.20±0.10mm
Inside diameter of tank mouth (D1) 25.40±0.10mm
Dry glue quantity 90-110mg
Deformation pressure ≥1.3MPa
Bursting pressure ≥1.5MPa
Indenter fits well with the company's indenter
Our Service:
—— Customized Packaging as per requirements.
—— High Quality raw material.
—— Specialized technique team more than 19 years.
—— Strict QC system
—— Short lead time.
—— Professional Sales Team.
—— In time after-sales service.
Advantage:
——Established in 2005
Company Profile:
Tianjin Jiayi Metal Packaging Products Co., Ltd. was established in 2005, focusing on the production of aerosol top and bottom cover; Food tank production; Coating, printing iron processing, is a professional manufacturer and exporter, with a number of well-known domestic enterprises, listed companies, and exports to Europe, Southeast Asia, Africa and other countries and regions....
We would like to use high quality products and excellent service to develop a bright future with our clients.